Подшипник шатунный POS16
Очень экономичный
Высокая жесткость
Чрезвычайно прочный при различных нагрузках
Компенсация ошибки отклонения
Компенсация краевой нагрузки
Устойчив к грязи, пыли и волокнам
Коррозионная и химическая стойкость
Может использоваться в жидких средах
Отличные характеристики гашения вибрации
Подходит для вращения, колебаний и линейного движения
Внутреннее кольцо закреплено в гнезде подшипника, а зазор очень маленький.
Очень легкий
POS16 - это тип подшипника на конце штока.
Подшипники на концах тяг относятся к радиальный сферический подшипник скольжения.
Он выдерживает большие нагрузки. В соответствии с различными типами и конструкциями он может выдерживать радиальную нагрузку, осевую нагрузку или комбинированную радиальную и осевую нагрузку. Поскольку внешняя сфера внутреннего кольца покрыта композитным материалом, подшипник может быть самосмазывающимся в процессе эксплуатации. Обычно используется для низкоскоростного поворотного движения, также может быть наклонен в определенном диапазоне углов, когда концентричность опорного вала и отверстия в оболочке вала велика, он все еще может нормально работать.

МАССА
185,0 г МАССА
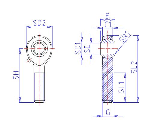
РАЗМЕРЫ
16 SD мм ВНУТРЕННЕЕ КОЛЬЦО
М16х2 г Спецификация резьбы
38 SD2 мм -
15,0 С1 мм ширина
21 Б мм ширина
19,4 SD1 мм
85 SL2 мм
66 Ш мм
40 SL1 мм
0,2 СР1 мм (мин)
28.575 SDK мм диаметр шара
21000 Кр Н
25400 цвет Нет.

Подшипник на конце штока широко используется в инженерных гидравлических цилиндрах, кузнечных станках, инженерных машинах, оборудовании автоматизации, автомобильных амортизаторах, машиностроении для водного хозяйства.

